| 功率 | 1~90(kw) |
|---|---|
| 类型 | 齿轮泵 |
| 输送介质 | 其他 |
| 输出流量 | 1~300 |
| 电压 | 220/380(V) |
| 必需汽蚀余量 | 100 |
| 材质 | 铸铁 |
| 规格 | KCB18.3泵头,KCB33.3泵头,KCB55泵头,K |
| 流量 | 1~900(m3/h) |
| 排出口径 | 15~300(mm) |
| 排出压力 | 1~10 |
| 驱动方式 | 电动 |
| 吸入口径 | 15~300(mm) |
| 效率 | 99 |
| 性能 | 变频 |
| 扬程 | 1~200(m) |
| 用途 | 管道泵 |
| 原理 | 齿轮泵 |
| 转速 | 2900(rpm) |
| 贸易属性 | 外贸原单 |
| 泵轴位置 | 其他 |
| 叶轮数目 | 单级 |
| 品牌 | galileo/伽利略 |
| 型号 | KCB,2CY型 |
齿轮式输油执行标准不锈钢液压系统液压机kcb厂家齿轮泵



1、质量可靠,使用寿命长 2、运行稳定,少去操心 3、服务周到,维护及时
【KCB/2CY型齿轮油泵】产品简介:
2CY、KCB齿轮式输油泵:
1、本泵适用于输送各种有润滑性的液体,温度不高于70℃,如需高温200℃,同本单位联系可配用耐高温材料即可,粘度为5×10-5~1.5×10-3m2/s。
2、本泵不适用于输送腐蚀性的、含硬质颗粒或纤维的、高度挥发或闪点低的液体,如汽油、笨等。
【KCB/2CY型齿轮油泵】型号意义:
【KCB/2CY型齿轮油泵】特性优点:
1.2CY、KCB齿轮式输油泵结构简单紧凑.使用和保养方便,
2.2CY、KCB齿轮式输油泵具良好的自吸性,帮每次开泵前不须灌人液体,
3.2CY、KCB齿轮式输油泵的润滑是靠输送的液体而自动达到.故日常工作时无须另加润滑液。
4.利用弹性联轴器传递动力可以补偿因安装时所引起的微小偏差。在泵工作中受到不可避免的液压冲击时,能起到较号的缓冲作用。
【KCB/2CY型齿轮油泵】工作原理:
2CY、KCB齿轮式输油泵在泵体中装有一对回转齿轮,一个主动,一个被动,依靠两齿轮的相互啮合,把泵内的整个工作腔分两个独立的部分。A为入吸腔,B为排出腔。泵运转时主动齿轮带动被动齿轮旋转,当齿化从啮合到脱开时在吸入侧(A)形成局部真空,液体被吸入。被吸入的液体充满齿轮的各个齿谷而带到排出侧(B),齿轮进入啮合时液体被挤出,形成高压液体并经泵的排出口排出泵外。
【KCB/2CY型齿轮油泵】结构特点:
1.2CY、KCB齿轮式输油泵是卧式回转泵,主要有泵体、齿轮、轴承座、安全阀、轴承及密封装置等机件组成。
2.泵体、轴承座等为灰铸铁件,齿轮用**碳素钢材制作,亦可根据用户特殊需要用铜材料或不锈钢材料制作。
3.轴承座上有一填料函室,起轴向密封作用。2CYl00/3,2CYl20/3,2CYl50/3,KCB一300~960型泵采用骨架密封装置。轴承采用单列向心球轴承。KCB一18.3~83.3型泵采用三个耐油橡胶圈和中间衬隔的一个挡圈组成,调节压紧盖上的两只螺母来调节密封的程度,轴承采用铜基粉末含油轴承。另外,本系列泵均可采用填料密封以弹性好,耐高温和低温、化学性质稳定且有自润滑性能的柔性石墨做为填料。
4.泵内装有安全阀,当泵或排出管道发生故障或误将排出阀门完全关闭而产生高压和高压冲击时安全阀会自动打开,卸除部分或全部的高压液体回到低压腔,从而对泵及管道起到安全保护作用。
5.用弹性联轴器直接与驱动电机联接,并安装在公共铸铁底盘上。
【KCB/2CY型齿轮油泵】主要用途:
1、KCB、2CY系列齿轮式输油泵适用于输送各种油类,如重油、柴油、润滑油,配用铜齿轮可输送内点低液体,如气油、苯等,本单位还生产不锈钢齿轮泵可输送饮料和腐蚀性的液体。
2、KCB、2CY系列齿轮式输油泵不适用于含硬质颗粒或纤维的,适用粘度为5*10 -5~1.5*103m2/s。温度不高为70℃,如需输送高温液体,请使用耐高温齿轮泵,可输送300℃以下液体。
【KCB/2CY型齿轮油泵】性能参数:
型号规格
电机功率
(KW)
转速
(r/min)
流量
(L/min)
排出压力
(MPa/cm2)
允许吸上真空泵
(m)
进出口径
KCB18.3(2CY-1.1/14.5-2)
1.5
1400
18.3
1.45
5
3/4"
KCB33.3(2CY-2/14.5-2)
2.2
1420
33.3
1.45
5
3/4"
KCB55(2CY-3.3/3.3-2)
1.5
1400
55
0.33
5
1"
KCB55(2CY-3.3/3.5-2)
2.2
1420
55
0.5
5
1"
KCB83.3(2CY-5/3-2)
2.2
1420
83.3
0.33
5
1.5"
KCB83.3(2CY-5/5-2)
3
1420
83.3
0.5
5
1.5"
KCB200(2CY-8/3.3-2)
4
1440
200
0.33
5
2"
KCB200(2CY-12/1.3-2)
4
1440
200
0.13
5
2"
KCB200(2CY-12/3.3-2)
5.5
1440
200
0.33
5
2"
KCB200(2CY-12/6-2)
5.5
1440
200
0.60
5
2"
KCB200(2CY-12/10-2)
7.5
1440
200
1.00
5
2"
KCB300(2CY-18/3.6-2)
5.5
960
300
0.36
5
3"
KCB300(2CY-18/6-2)
7.5
1440
300
0.6
5
3"
KCB483.3(2CY-29-3.6-2)
7.5
1440
483.3
0.36
5
3"
KCB483.3(2CY-29-10-2)
11
970
483.3
1.00
5
3"
KCB633(2CY-38/2.8-2)
11
1000
633
0.28
5
4"
KCB633(2CY-38/8-2)
22
1000
633
0.8
5
4"
KCB960(2CY-60/3-2)
18.5
1450
960
0.3
5
4"
KCB960(2CY-60-6-2)
30
1450
960
0.6
5
4"
KCB2000(2CY-120/3-2)
30
750
2000
0.3
5
6"
KCB2500(2CY-150/3-2)
37
750
2500
0.3
5
6"
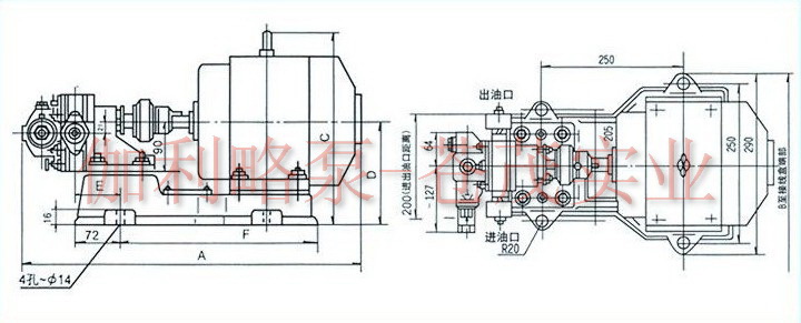
【KCB/2CY型齿轮油泵】安装尺寸图:
KCB18.3~83.3与2CY1.1~5安装尺寸图
型号
电动机
A
B
C
D
E
G"
L
型号
功率
KCB18.3-2
Y-90L-4
1.5
583
300
230
130
79
3/4"
230
KCB33.3-2
Y-100L1-4
2.2
618
325
285
140
79
3/4"
250
KCB55-2
Y-90L-4
1.5
588
300
230
130
86.5
1"
230
KCB83.3-2
Y-100L1-4
2.2
658
325
285
140
99
3/2"
250
KCB200~960与2CY8~150安装尺寸图
型号
L
L1
L2
L3
H
H1
H2
B
B1
B2
B3
KCB-300
855
690
470
100
413
188
230
410
370
315
210
KCB-483.3
855
690
470
100
413
188
230
410
370
315
210
KCB-200
800
655
450
116
315
182
220
380
340
250
210
KCB-633
1116
898
570
163
510
210
305
440
390
280
237
KCB-960
1156
941
600
176
555
210
305
460
410
280
237
【KCB/2CY型齿轮油泵】使用注意事项:
1、安装
a. 安装前应检查泵在运输中是否受到损坏,如电机是否受潮、泵进出口的防尘盖是否损坏而使污物进入泵腔内部等。
b. 安装管道前应先对管道内壁用清水或蒸气清洗干净。安装时应避免使管道的重量由泵来承担,以免影响泵的精度及寿命。
c.油泵应尽量靠近油池;管道各联接部位不得漏气、漏液,否则会发生吸不上液体的现象。
d. 为防止颗粒杂盾等污物进入泵内,应在吸入口安装金属过滤网,过滤精度为30目/in,过滤面积应大于进油管横截面积三倍以上。
e. 进出口管路建议安装真空表及压力表,以便监视泵的工作状态。
f. 当油池较深、吸油管路较长或介质粘度较高而造成真空度过高时,可将进油管加粗一挡。吸油管路较长时还应安装底阀。
2、工作前的检查
a. 泵的各紧固件是否牢固。
b. 主动轴转动是否轻重均匀一致。
c. 进出管道的阀门是否打开。
d. 泵的旋转方向是否符合要求。
e. 初次使用前应向泵内注入适量介质。
3、工作时的维护
a. 注意泵的压力表及真空表的读数应符合该泵所规定的技术规范以内。
b. 当泵在运转中有不正常的噪音或温升过高时,应立即停泵检查。
c. 一般情况下,不得任意调整安全阀,如需调整时,要用仪器校正。使安全阀的截止压力为泵
d. 额定压力的1.5-2倍。4、泵的停止
a. 切断电源。
b. 关闭进出管道阀门。
【KCB/2CY型齿轮油泵】故障原因及排除方法:
现象
产生原因
排除方法
不排油或排油量少
1、吸入高度超过额定值
2、吸入管道漏气
3、旋转方向不对
4、吸入管道堵塞或阀门关闭
5、安全阀卡死或研伤
6、液体温度低而粘度增大
1、提高吸入液面
2、检查各接合处,好加密封材料密封
3、按泵的所示方向纠正
4、检查管道是否堵塞,阀门是否全开
5、拆开安全阀清洗并用细研磨砂研磨阀孔,使之密合
6、予热液体或降^^非出压力
密封漏油
1、密封圈磨损
2、填料密封填料磨损
3、机械密封磨损或有划痕等缺陷
4、机械密封弹簧失效
1、更换密封圈
2、调节填料压盖松紧,使之不漏且轴能转动;补充填料
3、更换动静环或重新研磨
4、更换弹簧
噪音或振动大
1、吸入管或过滤网堵塞
2、吸入管伸入液面较浅
3、管道内进入空气
4、排出管道阻力太大
5、齿轮轴承或侧板严重磨损
6、吸入液体的粘度太大
7、吸入高度超过额定值
1、消除过滤网上的污物
2、吸入管应伸入液面以下
3、检查各联接处,使其密封
4、检查排出管道及阀门是否堵塞
5、拆下清洗,并修整缺陷或更换
6、加温降粘处理
7、减少吸油高度及缩短吸油管长度
声明:由于产品一直在更新,本文中所有文字、数据、图片均只适用于参考,KCB/2CY型齿轮油泵性能参数、KCB/2CY型齿轮油泵使用场合、KCB/2CY型齿轮油泵材质要求、KCB/2CY型齿轮油泵结构、KCB/2CY型齿轮油泵安装尺寸以及KCB/2CY型齿轮油泵的价格等详情,我们一定会尽心尽力为您提供**的服务。














木箱、泡沫或纸箱包装,因本泵属于重物只能发物流(需到物流站自提),其它疑问请联系我们。
售后服务承诺
1.产品提供免费维修一年,免费维保期间内如发生非人为原因引起的损坏(不可抗力原因除外),上海苍茂实业将及时免费更换和修理。
2.产品实行终身包修,免费保修期满后买方如委托上海苍茂实业进行维护保养,上海苍茂实业将对设备进行维护更换件(),并详细列出维保内容。
3.上海苍茂实业本着以客户利益为,想客户所想、急客户所急,尽己所能满足客户的要求,做好售后服务。
产品品质承诺
1.上海苍茂实业对产品的质量及交货期负责,产品交货之日起质保期为一年(易损件三个月),终身维护。对于产品质量引起的后果,上海苍茂实业承担相应的责任。如因操作不当引起的后果,上海苍茂实业将以低成本价对设备进行维护。
2.对所有分供方都进行考察、评审,所有产品的采购都只在合格分供方进行。对分供方所提供的原材料、外购件、外协件都需经过严格复查,检验合格后方准入库;
3.产品制造严格执行“双三检”制度,不合格零件不转序、不装配、不出厂;




